产品中心
PRODUCT CENTER

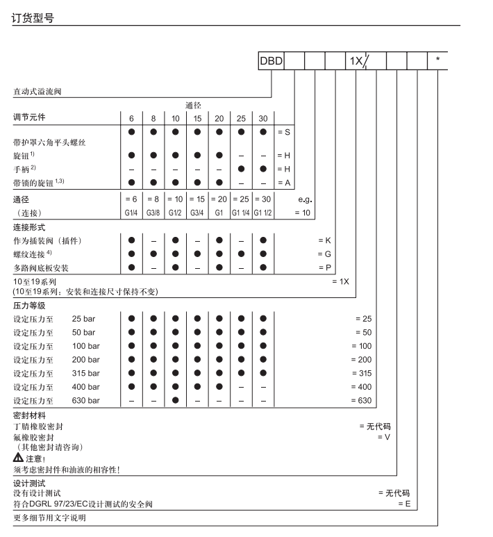
DBDS直动式溢流阀带护罩六角平头螺丝限制系统压力...
24小时免费质询电话021-60434955

安全保护作用:系统正常工作时,关闭。只有负载超过规定的极限(系统压力超过调定压力)时开启溢流,进行过载保护.流阀工作时,是利用的压力来调节、控制的压力大小。当液压油的压力小于工作需要压力时,阀芯被弹簧压在液压油的流入口,当液压油的压力超过其工作允许压力即大于弹簧压力时,阀芯被液压油顶起,液压油流入,从方向右侧口流出,回油箱。液压油的压力越大,阀芯被液压油顶起得越髙,液压油经溢流阀流回油箱的流量越大,如过液压油的压力小于或等于弹簧压力,则阀芯落下,封住液压油进口。由于油泵输出的液压油压力固定,而工作用液压油的压力总要比油泵输出液压油压力小,所以正常工作时总会有一些液压油从溢流阀处流回油箱,以保持液压油缸的工作压力平衡、正常工作。由此可见,溢流阀的作用是能够防止液压系统中的液压油压力超出额定负荷,起安全保护作用。另外,溢流阀与节流阀配合,节流阀调节液压油的流量大小,可控制活塞的移动速度。
溢流阀是一种液压压力控制阀,在液压设备中主要起定压溢流作用,稳压,系统卸荷和安全保护作用。溢流阀的作用 定压溢流作用:在定量泵节流调节系统中,定量泵提供的是恒定流量。当系统压力增大时,会使流量需求减小。此时溢流阀开启,使多余流量溢回油箱,保证溢流阀进口压力,即泵出口压力恒定(阀口常随压力波动开启)。
稳压作用:溢流阀串联在回油路上,溢流阀产生背压,运动部件平稳性增加。
系统卸荷作用:在溢流阀的遥控口串接溢小流量的,当通电时,溢流阀的遥控口通油箱,此时液压泵卸荷。溢流阀此时作为卸荷阀使用。 安全保护作用:系统正常工作时,阀门关闭。只有负载超过规定的极限(系统压力超过调定压力)时开启溢流,进行过载保护,使系统压力不再增加(通常使溢流阀的调定压力比系统*高工作压力高10%~20%)。
实际应用中一般有:作卸荷阀用,作远程调压阀,作高低压多级控制阀,作顺序阀,用于产生背压(串在回油路上)。
溢流阀一般有两种结构:1、直动型溢流阀 。2、先导式溢流阀。