产品中心
PRODUCT CENTER

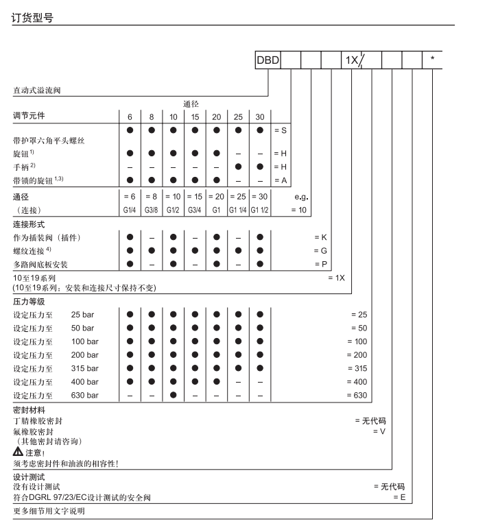
DBDS直动式溢流阀带护罩六角平头螺丝限制系统压力...
24小时免费质询电话021-60434955
安全保护作用:系统正常工作时,阀门关闭。只有负载超过规定的极限(系统压力超过调定压力)时开启溢流,进行过载保护.流阀工作时,是利用弹簧的压力来调节、控制液压油的压力大小。当液压油的压力小于工作需要压力时,阀芯被弹簧压在液压油的流入口,当液压油的压力超过其工作允许压力即大于弹簧压力时,阀芯被液压油顶起,液压油流入,从方向右侧口流出,回油箱。液压油的压力越大,阀芯被液压油顶起得越髙,液压油经溢流阀流回油箱的流量越大,如过液压油的压力小于或等于弹簧压力,则阀芯落下,封住液压油进口。由于油泵输出的液压油压力固定,而工作油缸用液压油的压力总要比油泵输出液压油压力小,所以正常工作时总会有一些液压油从溢流阀处流回油箱,以保持液压油缸的工作压力平衡、正常工作。由此可见,溢流阀的作用是能够防止液压系统中的液压油压力超出额定负荷,起安全保护作用。另外,溢流阀与节流阀配合,节流阀调节液压油的流量大小,可控制活塞的移动速度。